| 輪盤類鑄鐵件鑄造工藝其實不簡單 |
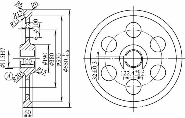
一、輪盤類鑄鐵件的鑄造工藝現狀 輪盤類鑄鐵件是指直徑遠大于高度的一類鑄件。一般中間軸孔加工要求較高,輪轂與輪緣兩部分較厚,而輻板處壁較薄,易造成溫度不均勻,且溫差大。輪轂與輪緣是兩個熱節區,若鑄造工藝不合理,鑄件易產生縮孔、縮松及裂紋缺陷。目前,國內大多數廠家生產輪盤類鑄件都是采用普通粘土砂造型單件鑄造,切線澆口注入,輪轂處采用冒口補縮或與冷鐵配合使用的鑄造方法。此方法占用場地大,工藝出品率、成品率及生產效率低,鑄件表面質量差。 我們接到輪盤類鑄鐵件-冷床滾盤(5700多件)的生產任務后,要解決的首要問題是鑄造工藝的研究,要求該工藝簡單,使對鑄造不熟悉的工人能夠進行操作,要求能減少造型及澆注面積,在現有生產條件下能滿足生產需要。在研究鑄造工藝的時候又遇到了材質方面的問題,制作的滾盤脆性很大,根本無法用于生產中。通過對鑄件的鑄造工藝及材質攻關研究了一種新型的輪盤類鑄鐵件的鑄造工藝,生產出了合格的滾盤。 二、主要攻關內容及關鍵技術 1.材質的攻關 滾盤是冷床設備的關鍵部件之一,要求表面質量好,耐熱性能高,而鑄鐵件的耐熱性能主要取決于其高溫抗氧化性(即當鑄鐵氧化時表面形成的氧化膜是否具有保護作用)及鑄鐵的生長(即在高溫下工作的鑄鐵件其尺寸發生不可逆膨脹的現象)。這兩種性能都與鑄鐵的化學成分密切相關。而鑄鐵件的強度及耐沖擊性主要取決于合金元素的多少,因此研究鑄件的材質就成為很重要的問題。為此我們對材質進行了攻關,對化學成分進行了合理的選擇,既提高了鑄件的耐熱性又保證了鑄件的力學性能。滾盤原設計材質為RQTSi5,其化學成分(%)為:wC=2.30%~2.89%,wSi=4. 5%~5.5%,wMn=0.50%~0.77%,wP=0.06%~0.09%,wS=0.062%~0.089%,wCr=0.38%~0.49%。其力學性能如下:抗拉強度140~220MPa,硬度160~270 HBW。最高使用溫度為750~900℃。此種材質由于硅含量高,提高了鑄鐵的脆性轉變溫度,因此鑄件脆性很大,不適宜生產壁厚不均的脆裂敏感件,而滾盤恰屬于這種結構的鑄件,結果剛開始生產時因材質問題造成了大量廢品。另外由于RQTSi5這種材質脆性大,成品率低,目前國內大多數廠家已經不用這種材質制作滾盤。鑒于上述情況,為了避免滾盤的成批報廢,保證中厚板工程的順利開工,試制一種新興的材質供制作滾盤用成為當務之急。我們通過多次試驗、論證,決定采用我們研制的新材質,其化學成分為:wC=3.05%~3.51%,wSi=2.9 %~3.5% , wMn=0.24%~0.56%,wP=0.05%~0.09%,wS=0.010%~0.030%,wMo=0.29%~0.6%。 其力學性能如下:抗拉強度580~695MPa,伸長率8%~18%,硬度210~280 HBW。最高使用溫度為750~900℃。由于研制的材質性能好,成品率高,得到了用戶的認可。 材質確定后,對材質的配料、球化工藝、孕育劑及孕育工藝、爐前質量控制等進行了攻關,取得了成功,使滾盤的各項力學性能都達到了鑄鐵車間有史以來的最好水平。 2.熔煉工藝的攻關 化學成分確定后要得到高質量的鐵液,必須有合理的熔煉工藝,對于耐熱球墨鑄鐵鑄件來說球化處理又尤為重要(即孕育劑及球化工藝的選擇)。球化處理好鑄件的力學性能也好。我們通過攻關選擇了合適的孕育劑,制定了合理的球化工藝,使鐵液得到很好的球化處理,既提高了鑄件的強度,又提高了其伸長率,效果非常好。 (1)球化劑的選擇 球化劑的質量直接影響球化效果,影響鐵液及鑄件的質量。我們通過多次試驗、論證,最后確定球化劑采用ReMg5-8輕稀土,孕育劑采用75SiFe以及獨特的能顯著提高鑄鐵強度及伸長率的長效孕育劑。 (2)球化處理 要得到高質量的鑄件,孕育劑及球化工藝的選擇也很重要。通過攻關我們選擇了合適的孕育劑,制定了合理的球化工藝,既提高了鑄件的強度,又提高了其伸長率,效果非常好。 球化處理采用堤壩包,必須徹底烘干。各種合金必須預熱。堤壩包內加入合金從下到上依次為:輕稀土合金1.8%→孕育劑0.8%→蓋鐵板或鐵末(根據鐵水溫度)→堿面0.5%。出鐵2/3,等反應完畢二次出鐵至所需量,并隨流加入0.6%的鉬鐵,0.6%的孕育劑,扒凈渣。 3.鑄造工藝的攻關 為了創精品工程,我公司對滾盤的表面質量、尺寸公差、加工量都提出了高于國標的要求,而滾盤批量大,工期緊,為了搶進度,車間又只好使用了一些對鑄造工藝不熟悉的臨時工生產滾盤,這就對滾盤的工藝提出了極高的要求,我們對鑄造工藝進行了攻關。 滾盤的結構如圖1所示。 |
![]() |
(1)造型工藝研究 從零件結構可以看出,該件輪轂處比較厚,輻板處比較薄。目前,國內大多數廠家生產這種結構的鑄件都是采用普通砂型單件鑄造,在輪轂處放冒口,采用切線澆口。采用這種工藝,工藝出品率、成品率低,生產效率也低。若采用普通砂型單件鑄造,生產5700件滾盤要在要求的時間內完成,每天需要生產滾盤144件,需要砂箱288副,金屬型16件,需要足夠的造型及澆注面積,而且工藝復雜,對鑄造不熟的工人無法操作,滿足不了生產要求。為此,我們通過比較選擇了金屬型樹脂砂組芯疊澆工藝,即采用金屬型芯盒樹脂砂制芯,然后將砂芯落在一起**箱圈進行澆注的方法。采用此種工藝只需8副金屬型芯盒即可滿足生產的需要。每個直澆道澆注3摞,每摞澆注8件,一塊底板同時澆注48件。由于采用共同的澆注系統鑄件出品率高,且采用樹脂砂造型鑄件表面質量好。 (2)工裝的設計及制作 工藝確定后,我們對所需的工裝進行了設計與制作,如圖2所示。 (3)芯砂的配比、混制及砂芯的制作 采用樹脂砂組芯疊澆工藝,芯砂的配制是關鍵。剛開始生產時,由于樹脂與固化劑的配比不當,結果砂芯很難從金屬型中取出,砂芯的表面質量很差,攻關組的技術人員不分晝夜堅持試驗,通過對幾種配比的試制最終確定了樹脂、固化劑與原砂的配比,制作出了合格的砂芯。 配比:0.45~0.224mm(40/70目)擦洗砂100%,樹脂為原砂重量的1.8%~2%,固化劑為樹脂量的30%~-50%。 混制:樹脂砂的混制采用S2512C混砂機,將所稱量的原砂加入混砂機后接著加入固化劑,開機攪拌8~10min,再加入樹脂,混碾8~10min,然后出砂。 砂芯的制作:制作前將芯盒內表面擦干凈,涂上脫模劑,制芯時舂砂要均勻,修芯時要保證尺寸準確,制好的芯子按順序編號,用醇基石墨涂料刷兩遍,刷涂料點燃后用干布將砂芯表面打磨光潔。 (4)澆注系統的選擇 澆注系統的尺寸直接影響到鑄件的質量,澆注系統面積過小易形成澆不足、冷隔等缺陷,過大很難從鑄件上清理下來。該鑄件材質為球墨鑄鐵件,我們在剛開始生產時采用在軸頭處開設4個內澆道,結果因清理澆口造成滾盤報廢的情況時有發生。后來我們根據鑄件的形狀和重量,通過試驗選擇了合理的澆注系統,生產出合格的鑄件。我們充分利用了其石墨化膨脹具有自補縮的特點采用了無冒口補縮的鑄造方法,只在每件滾盤軸頭處開設兩個80mm×40mm的扁澆口。這種澆注系統不僅節約了鐵液,而且減少了清理澆冒口的工時,鑄件表面質量也好。 (5)疊澆滾盤數量的確定 采用疊澆工藝,每次澆注鑄件的數量直接影響到鑄件的質量。澆注數量太多鑄件容易因補縮不好易形成縮孔,澆注數量太少,勞動生產率及工藝出品率太低。攻關組人員在開始試制時為了保證質量,每摞只澆注6件,隨著生產經驗的不斷積累,根據我們的精心計算,我們現在每摞澆注達到8件,每3摞一個直澆道,結果既保證了鑄件質量,又提高了勞動生產率。 (6)澆注溫度的選擇 澆注溫度過高鑄件易形成氣孔、縮孔等缺陷,澆注溫度過低易形成澆不足,表面出現鐵豆等缺陷,我們通過試驗規定了合理的澆注溫度為1280~1300℃,制作出合格的鑄件。 (7)打箱時間的控制 打箱過早鑄件易變形,過晚影響后面的澆注。我們根據鑄件的尺寸及數量規定了打時間為6h。 通過上述工藝的制定和控制,我們研制出了合格的滾盤 三、質量檢測 為了保證生產的滾盤質量,我們制定了嚴格的檢測制度:對每件滾盤都規定必須附鑄檢測用的試塊,對試塊的力學性能、金相組織、化學成分進行100%檢驗,不合格的堅決不出廠。 我們研制的滾盤的金相組織、化學成分、力學性能如下。 (1)金相組織為鐵素體,石墨形態為球狀,球化級別為3級。 (2)化學成分(任抽出3組)如表1所示。 (3)力學性能如表2所示。 四、生產效果 (1)采用金屬型樹脂砂組芯多組疊澆工藝研制的滾盤強度高,表面質量好,其各項性能遠超過原設計材質,滿足了用戶的需要。 (2)采用的該工藝后,砂鐵比僅為1.5:1,遠低于國內先進工藝水平的砂鐵比(3~4.5):1,節約大量的樹脂砂。 (3)該工藝操作簡單,并使質量有了保證。鑄鐵車間在使用大量不熟練操作工的情況下同樣生產出了高質量的滾盤。 (4)生產率提高兩倍以上,不但節省了人工工時,還節省了大量砂箱費用。 (5)由于多組多件滾盤采用共同的澆注系統且不需加冒口,鑄件出品率高達95%,遠高于普通工藝方法的70%左右的工藝出品率。由于澆注系統截面積小,只需輕輕錘擊即可完成清理,**減少了切割鑄件澆冒口的工時。 我公司生產的滾盤在中厚板廠投入生產使用以來,運行情況良好,工作平穩正常,沒有出現因滾盤質量而造成冷床劃傷、碰傷鋼板、鋼板跑偏等現象,提高了生產效率,保證了我廠生產的正常運行,創造了良好的經濟效益。 五、結語 通過對滾盤材質及鑄造工藝的攻關,我們按期保質保量地完成了滾盤的鑄造任務,為我公司中厚板工程的順利開工打下了基礎。由于此種工藝效率高,鑄件表面質量好。 |
| 【 返回列表 】 |


